Lookup table for Virtual Registers including renaming
Links
- https://groups.google.com/g/comp.arch/c/vdgvrYGoxTM/m/KerzlHs0BgAJ
- https://bugs.libre-soc.org/show_bug.cgi?id=352
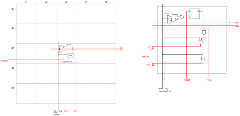
Explanation:
- ISA reg numbers are in rows
- Virtual (including renamed) reg numbers are in columns
- from both the bottom and the right are multi-issue (unary) "Set1, Set2" signals
- where these cross they are ANDed to set a Latch in a given cell
- at no time will there be more than one cell set per row
- OR per column
- there being only one per column a "reset" signal can be per column
- for regfile port "lookup" the per-column Set1/Set2 wires may be re-used
- they may be binary or unary as preferred
- read and write ports are all numbered
- a "request virtual-to-real regfile port redirection" signal is along
the bottom
- this is ANDed with the Latch
- that is MUXed with the per-column Set1/Set2 wires
- ANDs which accumulate in Great Big ORs fire per-row outputs
in this way any "virtual" read or write request to a register file port may be translated to a "real" request. the actual regfile data transfers on respective associated broadcast buses are external and do not need routing through this Matrix: the Matrix simply provides name translation, nothing else.
note that if regfile port IDs are encoded in binary, an entire column can light up like a Mythbusters Christmas tree with XOR gates unless the EN is carefully arranged.
